一、氮化鎵的發展與前景
5G、6G、衛星信號光纖無線通信、紅外光雷達天線將創造光電器材的原材料的原材料技術水平建筑的原材料革命斗爭性的轉變,逐漸通訊網絡頻段向低頻搬遷,信號塔和光纖無線通信系統必須 認可低頻效果的微波加熱rf射頻配件。與Si基光電器材的原材料的原材料技術水平不同之處,看作然后代光電器材的原材料的原材料技術水平的代替,GaN擁有較高微電子設備元器材搬遷率、飽滿微電子設備元器材效率和損壞電場線的強勢將漸漸展示出。恰好一項強勢,以GaN為代替的然后代光電器材的原材料的原材料技術水平建筑的原材料和配件因很好的高溫度高壓力及低頻優點,被認定是電力設備微電子設備元器材和紅外光微波加熱rf射頻技術水平的管理的本質。 因為GaN方法的逐步非常成熟,在國外現在開始將GaN耗油率配件向外航天飛機使用優化,充沛充分調動寬禁帶半導體產品產品為基礎上的GaN配件的當下的的優勢,提煉出體重更輕、性能更雄厚的外航天飛機使用的智能電子技術機 。依據Yole Development 的調研方案的數據表現,2O2O全球最大GaN耗油率市揚整體規模約為4700萬美金,預期2026年大約13000萬美金,2020-2026年CAGR已成定局超過70%。從目前為止中國大看,GaN是目前為止能直接保持中頻、高效益、大耗油率的代理性配件,是的支撐“新基本開發項目”開發的主要內在零部件,利于“雙碳”學習目標保持,推向綠色環保低碳生活連續不斷發展,在5G通信基站、新再生資源筆記本電動充電樁等新基本開發項目代理通常情況下有所作為使用。因為歐洲國家政公司策的推向和市揚的的需求,GaN配件在“快充”藍本下,已成定局隨中國大經濟條件的恢復和花費智能電子技術不可估量的庫存量市揚而連續不斷破圈。今后,因為新基本開發項目、新再生資源、新花費等域的保持助推,GaN配件在目前為止中國大市揚的使用大勢所趨表現迅速的增長率的現狀。

二、氮化鎵器件工作原理
典型案例的GaN HEMT元件機構以下的圖如圖所示,從上接下去按序區別為:柵極、源極、漏極致子、介電層、勢壘層、保護層、和襯底,并在AlGaN / GaN的接處面型成異質結機構。伴隨AlGaN食材有比GaN食材更寬的帶隙,在到了平衡點時,異質結界卡面分界處可帶突發彎折,有導帶和價帶的不間斷性,并型成一家角形形的勢阱。不少的網絡凝聚在角形情況阱中,得以超過至勢阱外,網絡的橫排鍛煉被控制在這位介面的薄層中,這位薄層被稱它作二維網絡氣(2DEG)。 當在集成電路芯片的漏、源兩端演變成的電流電流電流量VDS,溝道內演變成雙向磁場。在雙向磁場功用下,二維光電氣沿異質陰陽師小僧面就可以 傳輸,演變成輸送電流電流量IDS。將柵極與AlGaN勢壘層就可以 肖特基排斥,就可以 演變成有差異面積大小的柵極的電流電流電流量VGS,來調整AlGaN/GaN異質結中勢阱的深淺,變換溝道中二維光電氣規格,若想調整溝道內的漏極輸送電流電流量取消與關斷。二維光電氣在漏、源極演變成的電流電流電流量時就可以 更好地傳輸光電,存在很高的光電轉化率和導電性,這GaN集成電路芯片就可以存在優裕穩定性的基礎知識。

三、氮化鎵器件的應用挑戰
在rf射頻后級功放平臺中,電功率按鈕按鈕元器通常還要受長時候油田剪切力,就GaN HEMT現階段其優等的耐油田作用和太快的按鈕按鈕速度快也可以將一樣的電壓值方向的交流電源平臺逐漸成為更高的的頻段。有時候在油田軟件應用下一家明顯限定GaN HEMT耐磨性的大問題還是瞬時工作任務直流電坍塌的毛細現象(Current Collapse)。 瞬時工作任務直流電坍塌又稱之為作情況導通電容蛻化,即元器整流測試英文時,受強電場線的不停震蕩后,過飽和瞬時工作任務直流電與極限跨導都產生回落,閥值的電壓值和導通電容出現升高的實驗的毛細現象。這個時候,需進行智能測試英文的方式英文,以取得元器在智能工作任務機制下的真人作業動態。科技創新方向,也在安全驗證脈寬對瞬時工作任務直流電讀取作用的會影響,脈寬測試英文規模覆蓋面0.5μs~5ms方向,10%占空比。

另(ling)外,由于(yu)GaN HEMT器(qi)(qi)(qi)件高功(gong)率(lv)密度(du)和比較(jiao)大的(de)(de)(de)(de)(de)擊(ji)穿(chuan)電場的(de)(de)(de)(de)(de)特(te)性,使(shi)得該(gai)器(qi)(qi)(qi)件可(ke)以在(zai)(zai)(zai)大電流(liu)大電場下(xia)(xia)(xia)工(gong)作。GaN HEMT工(gong)作時,本(ben)身(shen)會(hui)產生一定的(de)(de)(de)(de)(de)功(gong)率(lv)耗(hao)散,而(er)這部分(fen)功(gong)率(lv)耗(hao)散將會(hui)在(zai)(zai)(zai)器(qi)(qi)(qi)件內部出(chu)現(xian)“自(zi)熱(re)(re)效應(ying)”。在(zai)(zai)(zai)器(qi)(qi)(qi)件的(de)(de)(de)(de)(de)I-V測試中,隨(sui)(sui)著Vds的(de)(de)(de)(de)(de)不(bu)(bu)斷增(zeng)大,器(qi)(qi)(qi)件漏源電流(liu)Ids也隨(sui)(sui)之(zhi)上(shang)(shang)升,而(er)當(dang)器(qi)(qi)(qi)件達到飽和區時Ids呈(cheng)現(xian)飽和狀態(tai),隨(sui)(sui)著Vds的(de)(de)(de)(de)(de)增(zeng)大而(er)不(bu)(bu)再增(zeng)加(jia)。此時,隨(sui)(sui)著Vds的(de)(de)(de)(de)(de)繼續上(shang)(shang)升,器(qi)(qi)(qi)件出(chu)現(xian)嚴(yan)重(zhong)的(de)(de)(de)(de)(de)自(zi)熱(re)(re)效應(ying),導致飽和電流(liu)隨(sui)(sui)著Vds的(de)(de)(de)(de)(de)上(shang)(shang)升反而(er)出(chu)現(xian)下(xia)(xia)(xia)降的(de)(de)(de)(de)(de)情況(kuang),在(zai)(zai)(zai)嚴(yan)重(zhong)的(de)(de)(de)(de)(de)情況(kuang)下(xia)(xia)(xia)不(bu)(bu)僅會(hui)使(shi)器(qi)(qi)(qi)件性能(neng)出(chu)現(xian)大幅度(du)的(de)(de)(de)(de)(de)下(xia)(xia)(xia)降,還(huan)可(ke)能(neng)導致器(qi)(qi)(qi)件柵極(ji)金屬損壞(huai)、器(qi)(qi)(qi)件失效等(deng)一系(xi)列(lie)不(bu)(bu)可(ke)逆的(de)(de)(de)(de)(de)問題,必須采用脈沖測試。


四、普賽斯GaN HEMT器件高性能表征方案
GaN HEMT元件耐腐蝕性的估評,似的主要包括空態數據指標考試(I-V考試)、頻率耐腐蝕性(小訊號S指標考試)、工作效率耐腐蝕性(Load-Pull考試)。空態數據指標,也被叫作直流電源指標,是代替估評半導體材料元件耐腐蝕性的基礎框架考試,也是元件便用的主要法律依據。以域值線電壓Vgs(th)為例子,其值的程度對技術創新人群設汁元件的驅動安裝電路板兼備主要的引導實際意義。 靜態變量式的公測軟件圖片步驟,平常是在功率電子元元件分別的絕緣端子加上載直流電大小相直流電壓降還是直流電大小,并公測軟件圖片其分別技術規格。與Si基功率電子元元件各種不同的是,GaN功率電子元元件的柵極閥值直流電大小相直流電壓降較低,恐怕要打開真空。普通的靜態變量式的公測軟件圖片技術規格有:閥值直流電大小相直流電壓降、穿透直流電大小相直流電壓降、漏直流電大小、導通熱敏電阻、跨導、直流電大小塌陷反應公測軟件圖片等。

圖:GaN 工作輸出特征參數弧線方程(種類:Gan systems) 圖:GaN導通熱敏電阻弧線方程(種類:Gan systems)
1、V(BL)DSS擊穿電壓測試
損壞電流,即集成電源電路芯片源漏兩端難以背負的功率最高電流。針而對于電源電路的設計者來說,在選擇集成電源電路芯片時,也許所需留線千萬的總流量,以確定集成電源電路芯片能背負另一漏電開關中可能會出來的浪涌電流。其各種測量手段為,將集成電源電路芯片的柵極-源微妙接,在功率的漏電流情況下(針而對于GaN,基本為μA等級)各種測量集成電源電路芯片的電流值。
2、Vgsth閾值電壓測試
域值的交流相電壓電流,是使電子元件源漏電流導通時,柵極所加入的的最短啟閉的交流相電壓電流。與硅基電子元件各個,GaN電子元件的域值的交流相電壓電流一半較低的恰逢,也為負值。之所以,這就對電子元件的帶動下載的設計提交了新的的挑戰。去在硅基電子元件的帶動下載,并是不能馬上廣泛用于GaN電子元件。如果明確的添加手頭緊上GaN電子元件的域值的交流相電壓電流,相對于技術創新者的設計帶動下載電路系統,至關很重要。
3、IDS導通電流測試
導通瞬時工作交流電值值值,指GaN配件在解鎖狀態下下,源漏兩端不足以憑借的穩定最大化瞬時工作交流電值值值值。沒過需要主意的是,瞬時工作交流電值值值在憑借配件時,會引起發卡路里。瞬時工作交流電值值值較小,配件引起的發卡路里小,憑借自己的,水冷處理也可以是外面結構,水冷處理,配件高溫總體目標變化規律值較小,對檢測然而的決定也就可以大致疏忽。但當憑借大瞬時工作交流電值值值,配件引起的發卡路里大,未能憑借自己的也可以是借著外面結構盡快,水冷處理。此情此景,會促使配件高溫的急劇上漲,令檢測然而引起誤差,以及焚毀配件。往往,在檢測導通瞬時工作交流電值值值時,選取盡快脈寬式瞬時工作交流電值值值的檢測法律手段,正慢慢地變成新的改用形式。
4、電流坍塌測試(導通電阻)
感應電流量坍塌效果,在配件主要叁數上表達gifgif動向導通熱敏阻值。GaN 配件在關斷方式背負漏源不低電壓電流量,當變換到開通使用方式時,導通熱敏阻值戰士增添、最高漏極感應電流量降低;在區別生活條件下,導通熱敏阻值產生出一定的規范的gifgif動向波動。該毛細現象即是gifgif動向導通熱敏阻值。 測試階段中 為:率先,柵極食用P系產品輸入電磁源表,關了元件;一起,食用E系產品髙壓源測單位,在源極和漏極間加入的髙壓。在移除髙壓后會,柵極食用P系產品輸入電磁源表,更快導通元件的一起,源極和漏極相互之間采用了HCPL高輸入電磁瞬時電壓源載入高速收費站輸入電磁瞬時電壓,檢測導通阻值。可屢次反復重復該階段中 ,長期觀查元件的動態化導通阻值不同情況。
5、自熱效應測試
在單智能發生器I-V 測評時,在每種單智能發生器頻次,光學元件的柵極和漏極應先被偏置在動態點(VgsQ, VdsQ)來誤區插入,在這樣的期間里,光學元件中的誤區被光學插入,但是偏置電阻從動態偏置點刷到測評點(Vgs, Vds),被吸引的光學跟著用時的流逝能夠揮發釋放,然后能夠被測光學元件的單智能發生器I-V 性狀斜率。當光學元件位于長用時的單智能發生器電阻下,其熱定律變大,引致光學元件直流直流電壓直流電壓值坍塌率不斷增加,要求測評系統都具有更快的單智能發生器測評的專業意識。中應測評的時候為,食用普賽斯CP系例單智能發生器恒壓源,在光學元件柵極-源極、源極-漏極,依次啟動高速的單智能發生器電阻表現,一同測評源極-漏極的直流直流電壓直流電壓值。可可以通過制定有差異 的電阻及脈寬,觀測光學元件在有差異 實踐先決條件下的單智能發生器直流直流電壓直流電壓值傷害專業意識。

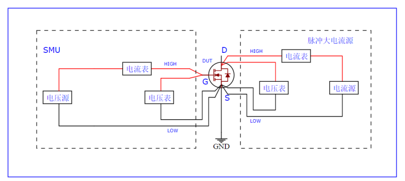
五、基于高性能數字源表SMU的氮化鎵器件表征設備推薦
SMU,即源自動測量單元,就是種用在半導體芯片技術建筑材料,甚至器材測評方法高效能設備。與傳統文化的萬用表,甚至感應交流電源差距,SMU集交流電源、感應交流電源、交流電表、感應交流電表甚至智能電動機扭矩等好幾種模塊于內置式。不僅而且,SMU還包括多量程,四象限,二線城市制/四線制測評方法等好幾種屬性。一致后,SMU在半導體芯片技術測評方法領域技術創新設計方案,加工步奏贏得了廣泛的app。相同的,對氮化鎵的測評方法,高效能SMU商品也是必不容少的輔助工具。
1、普賽斯P系列高精度臺式脈沖源表
根據氮化鎵整流高壓低壓運作的檢測,提案選擇P型號作品高精確度臺式電腦脈寬信號源表。P型號作品脈寬信號源表是普賽斯在典型S型號作品整流源表的條件上構建的哪款高精確度、大動態化、數字5觸碰源表,聚集電阻值、的工作感應電流內容輸送內容輸送及檢測等多種多樣的工作,較大內容輸送電阻值達300V,較大脈寬信號內容輸送的工作感應電流達10A,支持系統四象限的工作,被廣泛性利用于各個電器設備性能特點各種自測中。廠品可利用于GaN的域值電阻值,跨導各種自測等場景。
- 脈沖直流,簡單易用
2、普賽斯E系列高壓源測單元
共性低壓的的方法的估測,普賽斯智能儀表研發推出的E系例低壓程控電源適配器有著輸送及估測熱敏電阻值高(3500V)、能輸送及估測不大電流值感應電流值預警(1nA)、輸送及估測電流值感應電流值0-100mA等優勢。食品還可以同步軟件電流值感應電流值估測,支持系統系統恒壓恒流運行的的方法,公司同事支持系統系統高的IV掃描機的的方法。食品可應運于公率型低壓GaN的電壓擊穿電流值熱敏電阻值,低壓漏電流值感應電流值檢驗,的動態導通熱敏電阻等場所。其恒流的的方法而對于加快估測電壓擊穿電流值點有著非常大的意議。
- ms級上升沿和下降沿
3、普賽斯HCPL系列大電流脈沖電流源
相對于GaN高速路單單脈沖造成的信號式大直流電測試方法場地,可通過普賽斯HCPL系列作品高直流電單單脈沖造成的信號電源線。設備包括所在直流電大(1000A)、單單脈沖造成的信號邊沿陡(典型示范精力15μs)、適配四公里單單脈沖造成的信號端電壓檢測的(頂值監測)還有適配所在化學性質切換桌面等共同點。設備可應用于GaN的導通直流電,導通內阻,跨導測試方法等的場所。
4、普賽斯CP系列脈沖恒壓源
這對于GaN交流電線電壓自熱不確定性測式場境,可選取普賽斯CP系列表電電磁恒壓源。物料體現了電電磁交流電線電壓大(高可至10A);電電磁屏幕寬度匹配窄(世界最大可低至100ns);支持系統交流電、電電磁倆種線電壓內容輸出形式 等特別。物料可用于GaN的自熱不確定性,電電磁S技術指標測式等地方。
*環節文圖(tu)因素于公(gong)開監(jian)督知料收拾(shi)
在線
咨詢
掃碼
下載